T型储能变流器自适应控制方法
(1. 河北雄安许继电科综合能源技术有限公司, 雄安 071607
2. 许继集团有限公司, 许昌 461000)
摘要: T型三电平储能变流器具有功耗小、通态损耗小、功率密度高等优点, 在低电压大电流场合具有广阔的应用前景。为提升其在动态调节性能与稳态控制精度方面的控制效果, 本文提出的控制方案是利用融合的BP-RBF神经网络建立非线性预测模型, 并在此基础上构建相应的自适应PID控制方法。首先, 本文分析了T型储能变流器的工作原理与数学模型, 并实现电流控制量的解耦与简化。基于此模型, 设计了BP-RBF神经网络, 提出一种支持参数在线调整的自适应PID控制器。通过不同工况下的仿真分析, 证明所提自适应控制策略在响应速度、稳态性能以及整体鲁棒性上均比常规PID控制器具有更好效果, 能够有效抑制输出电流谐波, 提高变流器运行的稳定性与动态性能, 为高性能储能系统的控制策略提供了理论支撑与技术手段。
关键词: T型三电平变流器, 自适应PID控制, BP-RBF神经网络, 非线性预测建模
DOI: 10.48014/csgr.20250814001
引用格式: 陈星宇, 黄蓉, 聂向欣, 等, T型储能变流器自适应控制方法[J]. 中国智能电网研究, 2025, 2(1): 1-9.
文章类型: 研究性论文
收稿日期: 2025-01-14
接收日期: 2025-02-08
出版日期: 2025-03-28
1 引言
随着新能源的大规模接入与智能电网技术的不断发展,储能系统的作用愈发凸显,不仅能够为电网提供稳定的功率支撑,有效提升电网运行的稳定性,还能显著改善电能质量,保障精密电力设备的安全运行[1]。在储能系统中,储能变流器作为核心接口装置,承担能量双向流动与电能质量调节的重要任务,其性能直接影响系统的效率与可靠性[2]。因此,探索高效、智能的储能变流器控制方法具有重要的理论价值与工程意义。
传统PID控制器因其结构简单、易于实现,在工程实践中应用广泛,但其控制参数一旦设定,难以根据系统运行状态动态调整,导致在面对非线性特性、参数扰动和负载变化时,控制性能下降甚至引发不稳定现象。尤其在储能系统这类存在工况切换(如孤岛模式与并网模式)、系统参数波动较大的场合,固定参数PID控制已难以满足高性能运行的需求。近年来,学者们提出了基于单一神经网络的自适应控制方法,例如利用BP神经网络实现参数自整定,采用模糊神经网络提升对复杂不确定性的处理能,或卷积神经网络(CNN)增强特征提取与模式识别能力,以改善控制器的动态性与鲁棒性[3]。然而,目前研究侧重于某一方面的改进,未能在同一框架下同时兼顾参数自适应调节与系统动态预测,导致在复杂运行条件下仍存在性能瓶颈。
针对上述问题,本文提出一种基于BP-RBF神经网络非线性预测模型的自适应PID控制策略,旨在提升T型储能变流器在dq轴电流控制中的动态响应能力、稳态精度与抗扰性。本文首先分析了T型三电平变流器的工作原理与数学模型,利用Clarke与Park变换实现dq轴解耦建模。在此基础上,建立以BP神经网络为基础的自适应PID控制器,实现控制器参数的实时优化;同时引入RBF神经网络构建系统的非线性预测模型,进一步增强控制器对系统动态特性的感知能力。最后,通过仿真分析,本文所提出的自适应控制方法在不同运行模式下均表现出良好的跟踪性能与鲁棒性,为T型储能变流器控制策略的智能化、自适应发展提供了理论支撑与技术基础。通过以上研究,本文旨在丰富T型储能变流器的控制理论体系,为智能化、高性能储能系统的控制提供了一种可行的解决路径。
2 T型储能变流器工作原理
2.1 工作原理
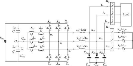
T型储能变流器拓扑结构如图1所示。K1与K2为变流器连接负载或电网的开关,当K1闭合,K2断开时,系统处于并网状态,当K2闭合,K1断开时,系统处于离网状态;Udc为供电电压;C1与 C2构成直流母线上的一对分压电容;Udc1和Udc2为分压电容的电压;Loa、Lob和Loc为滤波电感;RCa、RCb和RCc为阻尼电阻;Coa、Cob和Coc为滤波电容;ioa、iob和ioc为流过滤波电感的电流;i1a、i1b和i1c为流入负载侧的电流;iga、igb和igc为流入电网的电流;ea、eb和ec为电网电压。
在理想情况下,T型储能变流器由三部分构成,负载的电动势E和直流侧的等效电阻RL组成右侧直流侧回路、中间部分的功率开关桥、电网的电动势Ug和电感L组成左侧交流侧回路,理想模型如图2所示。

图1 T型三电平储能变流器拓扑
Fig.1 T-type three-level energy storage converter topology

图2 储能变流器理想电路模型
Fig.2 Ideal circuit model of energy storage converter
若不计开关损耗,根据功率平衡原理,可得:
(1)
式中,U为交流侧的等效电压,I为网侧总电流。
根据交流侧电路可得:
(2)
式中,
为电网电动势,
为等效电感电压。
储能变流器通常将网侧相电压作为参考矢量,通过控制其方向来实现对相电压和相电流的相位关系控制,从而使储能变流器能流畅地运转在四象限模式中。
如图3(a)所示,电网电动势与网侧相电流具有相同的相位,系统处于正电阻模式,有功功率从电网输送至储能变流器。
如图3(b)所示,电网电动势与网侧相电流具有相反的相位,系统处于负电阻模式,有功功率从储能变流器输送至电网。
如图3(c)所示,电网电动势超前网侧相电流90°,系统处于纯电感模式,无功功率从电网输送至储能变流器。
如图3(d)所示,电网电动势滞后网侧相电流90°,系统处于纯电容模式,无功功率从储能变流器输送至电网。

图3 四象限运行模式
Fig.3 Four quadrant operation mode
2.2 数学模型
储能变流器的交流端通常采用LCL型滤波器,该结构不仅增强了系统的谐波抑制能力,还可有效减小滤波电感的体积。在低频状态下,系统中的LCL型滤波器与L型滤波器在频率响应特性方面并无太大差别,因此将交流侧的LCL滤波器结构简化为单电感L型滤波器[4]。本文基于以下假设:
(1)电网为理想电压源,即为三相平衡的正弦电压切电网的阻抗为零。
(2)两个直流母线的电容的电压相等,即Udc1=Udc2=Udc/2。
(3)系统中的所有器件均为理想器件,即忽略开关损耗等因素。
当储能变流器并网运行时,即闭合K1,断开K2,根据基尔霍夫电压定律可知,三相相电压方程为:
(3)
定义开关函数:
(4)
则:
(5)
将式(5)代入式(3)可得:
(6)
在理想条件下,根据三相电压、电流的对称性可知:
(7)
将式(6)与(7)联立,可得:
(8)
将式(8)代入(6),可得:
(9)
根据电路图1可知,三相电流相加即为直流侧电流,则:
(10)
式中,idc为直流测电流,ioa、iob和ioc为分别a、b、c三相电流。
联立式(3)~(10),可得:
(11)
式中:
(12)
根据式(11)可知,在三相静止参考坐标系(a-b-c)下,储能变流器的每相电流需要由开关函数Sabc进行控制,此时电流具有高频分量,十分不利于对系统的控制。除此之外,在该坐标系下,整个控制系统为时变非线性系统,控制十分复杂[5]。因此,本文通过使用Clarke与Park变换,将将储能变流器的数学模型转换到两相旋转坐标系(d-q)上[6],此时控制量为时不变直流量,并且实现了关系式解耦。两相旋转坐标系(d-q)下状态方程为:
(13)
式(13)中的所有变量皆为直流量,便于设计储能变流器PID控制系统。
3 基于BP-RBF神经网络非线性预测模型的自适应PID控制系统
3.1 自适应PID控制系统整体结构
基于BP-RBF神经网络模型的T型储能变流器控制系统的整体结构如图4所示。

图4 自适应PID控制系统框图
Fig.4 Adaptive PID control system block diagram
在系统运行过程中,BP 神经网络用于实时优化控制器参数,使其达到最佳协调状态。PID 控制器直接作用于被控对象,并具备参数在线整定能力。RBF神经网络作为非线性被控对象(T型储能变流器,T-PCS)的非线性预测模型[7]。
3.2 基于BP神经网络的PID控制参数自适应调节
经典PID控制方法为:
(14)
式中,Kp、Ki、Kd为控制器参数。
将控制器系数视作储能系统运行状态的可调系数,将式(14)改写为:
(15)
式中,f[·]为非线性函数[8],通过对BP神经网络进行训练,可实现对控制规律的最优确定。
本文设计的三层BP神经网络如图5所示。鉴于参数需保持非负值,输出层采用非负Sigmoid激活函数,而隐藏层则使用对称Sigmoid激活函数以增强非线性映射能力。

图5 BP神经网络
Fig.5 BP neural network
本文选择x=[r(k),y(k),e(k),1]作为输入量,则输入层的输出为:
(16)
式中,
为输入层节点;M为输入变量个数。
BP神经网络中隐含层的输入与输出可表示为:
(17)
式中,
为隐含层权系数;f[???偊e]为激发函数。
输入层的输入与输出可表示为:
(18)
式中,
为输出层权系数;g[·]为激发函数[9]。
本文使用二次型函数作为性能指标,可表示为:
(19)
式中,r(k)为系统参考输入;y(k)为系统输出。
网络权重通过最速下降法进行修正,即按性能指标J关于权系数的负梯度方向迭代更新,并附加惯性项以提高搜索速度和收敛至全局最小值的可能性,其公式为:
(20)
式中,η(k)为学习速率;α为惯性系数。
为了加快网络训练的收敛速度,本文采用自适应变学习速率策略。在迭代过程中,η(k)会根据误差大小进行在线调整:若当前误差超过上次计算的误差,则删去本次迭代结果,学习速率降低增幅后重新迭代;若当前误差减小,则本次迭代有效,适度提升学习速率[10]。
3.3 基于BRF神经网络的非线性预测模型
本文将T型储能变流器使用MISO非线性系统进行描述,即:
(21)
T型储能变流器的非线性预测模型采用三层RNF神经网络实现。隐含层激发函数为高斯基函数,输出层为线性函数[11]。
非线性预测模型的输入向量为:
(22)
BRF神经网络的径向基向量为:
(23)
式中,hj为高斯基函数,即:
(24)
式中,Cj为第j个节点的中心矢量;bj为节点的基宽度参数。
BRF神经网络的输出为:
(25)
式中,wj为隐含层神经元与输出层神经元的连接权。
BRF神经网络的性能指标函数定义为二次型函数,表示为:
(26)
式中,y(k)为系统输出;ym(k)为辨识输出。
按照梯度下降法,更新网络迭代公式,表示为:
(27)
(28)
(29)
(30)
(31)
式中,η’(k)为学习速率;α’为惯性系数。
为降低在线运算压力并改善系统在初始阶段的动态响应效果,神经网络首先在离线模式下完成训练。离线阶段结束后,控制系统进入在线训练与实时控制过程,利用在线学习来抵消参数时变对控制性能的不利影响,从而提升系统的鲁棒性。该方法通过基于检测误差的自适应调节机制,有效抑制误差并保证控制精度。此策略不仅能够优化神经网络的初始权值分布,还能在保证控制质量的同时大幅减少实时计算量,从而显著增强系统的实时运行能力[12]。
4 仿真分析
本文对比分析了传统控制器和自适应控制器的性能,以验证提出的自适应控制策略性能,仿真结果如图6所示。

图6 自适应PID与传统PID控制器性能对比
Fig.6 Performance comparison between adaptive PID and traditional PID controller
根据图6分析可知,自适应PID控制器与传统PID控制器在动态性能与稳态精度上具有显著差异。在初始阶段,自适应PID控制器的响应速度显著优于传统PID控制器,其上升沿更陡,系统能够更快速地接近设定值,表明自适应策略具有更高的动态响应性能。自适应PID在初期存在较大的超调现象,但振荡衰减速度更快,而传统PID控制器仍存在较长的振荡周期。在稳态阶段,自适应PID控制器对设定值的跟踪精度更高,最终稳态误差趋近于零,系统输出几乎完全贴合参考信号,反映出其在动态调参机制下对系统非线性与建模误差具有更强的适应能力与鲁棒性。
为验证所提出的自适应控制策略在储能变流器运行在孤岛模式与并网模式时的正确性,本文构建了Simulink仿真模型,模型参数如表1所示。
表1 仿真参数
Table 1 Simulation parameters
|
变量名称 |
参数值 |
|
直流母线电压(V) |
750 |
|
开关频率(KHZ) |
20 |
|
直流母线电容C1与C2(μF) |
4000 |
|
滤波电感(MH) |
5.12 |
|
滤波电容(μF) |
1.34 |
当系统处于孤岛模式时,三相线电压、A相的相电压与相电流如图7所示。

图7 孤岛模式仿真波形
Fig.7 Simulation waveform of island mode
根据图7分析可知,三相线电压峰值均为538V,A相相电压为311V相电流为31A,根据FFT分析,A相相电流总谐波失真为0.16%。
当储能变流器处于并网模式,为电网输送能量时,三相线电压、A相的相电压与相电流如图8所示。

图8 并网模式仿真波形
Fig.8 Grid-connected mode simulation waveform
根据图8分析可知,三相为平衡源的条件下,三相线电压峰值均为538V,A相相电压为311V相电流为20A,根据FFT分析,A相相电流总谐波失真为0.15%,证明控制器能够正确运行。
5 结论
针对T型三电平储能变流器系统动态特性不确定、参数时变的问题,本文提出了一种基于BP-RBF神经网络非线性预测模型的自适应PID控制策略。首先,本文构建了T型拓扑结构下的数学模型,并通过坐标变换,实现系统在dq轴上的解耦控制。其次,基于BP神经网络设计了在线PID参数自适应调节机制,通过实时调整Kp、Ki、Kd以匹配系统运行状态,有效提升控制系统的灵活性与自适应性。同时,利用RBF神经网络建立了T型储能变流器的非线性预测模型,为PID参数优化提供了系统动态特性支持。
通过仿真分析,自适应PID控制器相较于传统PID控制器具备更快的动态响应速度、更高的稳态精度以及更强的抗扰性能,充分说明该方法适用于高性能储能变流器系统的控制需求。同时,T型储能变流器在孤岛模式与并网模式下系统运行稳定,输出电流总谐波失真率均在0.2%以内,证明了所提出的控制策略在dq轴电流跟踪方面的准确性。
综上所述,本文所提出的T型储能变流器基于BP-RBF神经网络的自适应控制方法具备良好的控制性能与适应能力,为储能系统控制领域的进一步研究提供了理论基础与技术参考。本文的研究主要集中于理论建模与仿真验证,尚未充分考虑控制策略在硬件实现过程中的复杂度、计算资源消耗及实时性约束等问题,这在一定程度上限制了其工程应用的可行性。未来的研究工作可进一步结合嵌入式硬件平台开展实验验证,探索轻量化的神经网络结构与优化算法,以在保证控制性能的同时降低计算负担,并扩展至多类型储能系统与更大规模电力系统的应用场景,从而推动该控制方法的工程化与实用化进程。
利益冲突: 作者声明没有利益冲突。
[①] 通讯作者 Corresponding author:陈星宇,1356662610@qq.com
收稿日期:2025-01-14; 录用日期:2025-02-08; 发表日期:2025-03-28
参考文献(References)
[1] 武平, 郭巍, 晋春杰, 等. 浅谈我国电力与能源现状及解决途径[J]. 电气技术, 2018, 19(05): 1-4+14.
[2] 芦开平, 李泰, 孙攀磊, 等. 基于LLCCL滤波器的储能变流器控制策略研究[J]. 电工技术, 2024(20): 30-33.
https://doi.org/10.19768/j.cnki.dgjs.2024.20.009.
[3] 李建国, 李福利. PID调节的控制原理与参数优化[J]. 水利规划与设计, 2016(10): 85-88+103.
https://doi.org/10.3969/j.issn.1672-2469.2016.10.027
[4] 郑家国. 三电平储能变流器(PCS)控制及调制算法研究[D]. 扬州: 扬州大学, 2024.
https://doi.org/10.27441/d.cnki.gyzdu.2024.002576.
[5] 王玕, 赵世伟, 杨向宇. 基于电压闭环滑模控制的变步长电导增量法MPPT策略[J]. 可再生能源, 2018, 36(04): 506-511.
https://doi.org/10.13941/j.cnki.21-1469/tk.2018.04.006.
[6] Brandis A, Knol K, Pelin D, et al. Prototype Proposal of an 18 kW Non-Isolated Bidirectional Converter for Battery Energy Storage System[C]//2023 22nd International Symposium on Power Electronics(Ee). 0[2025- 09-04].
https://doi.org/10.1109/Ee59906.2023.10346198.
[7] 夏长亮, 祁温雅, 杨荣, 等. 基于RBF神经网络的超声波电机参数辨识与模型参考自适应控制[J]. 中国电机工程学报, 2004(07): 121-125.
https://doi.org/10.13334/j.0258-8013.pcsee.2004.07.022.
[8] 韩佳科. 基于RBF神经网络的机械臂轨迹自动控制方法[J]. 现代制造技术与装备, 2025, 61(08): 206-208.
https://doi.org/10.16107/j.cnki.mmte.2025.0540.
[9] 曹沐. 基于RBF-PSO 算法的电力系统储能设备优化选址[J]. 电工技术, 2025(14): 68-71.
https://doi.org/10.19768/j.cnki.dgjs.2025.14.016.
[10] 李兴龙, 梁俊宇, 张贵鹏, 等. 基于RBF神经网络优化光伏储能并网自适应控制的方法研究[J]. 自动化与仪表, 2024, 39(10): 29-33.
https://doi.org/10.19557/j.cnki.1001-9944.2024.10.007.
[11] 侯浩. 基于人工神经网络的光储并网系统控制策略研究[D]. 兰州: 西北民族大学, 2023.
https://doi.org/10.27408/d.cnki.gxmzc.2023.000141.
[12] 管敏渊, 姚瑛, 吴圳宾, 等. 基于RBF神经网络的储能VSG控制策略优化[J]. 浙江电力, 2024, 43(03): 55-64.
https://doi.org/10.19585/j.zjdl.202403007.
Adaptive Control Method of T-type Energy Storage Converter
(1. Hebei Xiong' an Xuji Electric Technology Comprehensive Energy Technology Co. , Ltd. , Xiong' an, 071607, China
2. Xuji Group Co. , Ltd. , Xuchang 461000, China)
Abstract: T-type three-level energy storage converters are widely used in low-voltage, high-current applications due to their low power consumption, low conduction losses, and high power density. To improve their dynamic regulation performance and steady-state control accuracy, this paper proposes an adaptive PID control strategy based on a BP-RBF neural network nonlinear prediction model. First, the operating principle and mathematical model of the T-type energy storage converter are constructed, and the current control variable is decoupled and simplified. Based on this model, a BP-RBF neural network is designed, and an adaptive PID controller with online parameter tuning is proposed. Through simulation analysis under different operating conditions, it is proved that the proposed adaptive control strategy has better response speed, steady-state performance, and overall robustness than conventional PID controllers It effectively suppresses output current harmonics and improves converter stability and dynamic performance, providing theoretical support and technical means for control strategies in high-performance energy storage systems.
Keywords: T-type three-level converter, adaptive PID control, BP-RBF Neural Network, nonlinear predictive modeling
DOI: 10.48014/csgr.20250814001
Citation: CHEN Xingyu, HUANG Rong, NIE Xiangxin, et al. Adaptive control method of T-type energy storage converter[J]. Chinese Smart Grid Research, 2025, 2(1): 1-9.